注:真宽通信技术有限公司(原润欣通信技术有限公司)于2006年11月正式更名。希望业界人士继续保持同真宽通信技术有限公司的良好合作,此次更名为“真宽通信”出发点有两个方面,一是希望为人民提供真正有质量保证的宽带;同时这也是企业需要放眼未来,创造性地建设一个全新形象的第一步。)
广电网络是基于CATV发展起来的HFC网络,传统的HFC网络主要是为传输有线电视服务的,所以是以单向下行广播式的传输方式。有线电视经过近十年的发展,光缆已经越来越靠近用户,许多光节点覆盖的用户在500-200户之间,电缆半径在500m左右。广电网络为了提供如宽带接入、数字电视点播等更多增值业务,所以必须对传统的HFC网络进行双向网改造。从目前技术选择来看,采用Cablemodem方式和EPON+LAN方式是较多为用户所接受和选择的改造方案。
一、CableModem方式实现广电双向网改造
CableModem也是一种上下行带宽不对称的技术,适合提供上网及VOD这两种业务。其中,提供因特网接入业务可以采用“HFC+CableModem+以太网/ATM”的方式。局端需要配备一台HFC头端设备,通过ATM或快速以太网与因特网进行互联,并且完成信号的调制和混合功能。数据信号通过光纤同轴混合网(HFC)传至用户家中,CableModem完成信号的解码、解调等功能,并通过以太网端口将数字信号传送到PC机。反过来,Cable Modem接收PC机传来的上行信号,经过编码、调制后通过HFC传给头端设备。

以下为cablemodem方式对HFC网络进行双向网改造:

CableModem的前期用户一定可以享受到非常优质的服务,这是因为在用户数量很少的情况下线路的带宽以及频带都是非常充裕的。但是,每一个CableModem用户的加入都会增加噪声、占用频道、减少可靠性以及影响线路上已有的用户服务质量。这将是CableModem迫切需要解决的一大难题。同时,也阻碍了广电运营商进一步大幅推广宽带双向网改造。
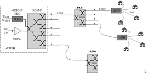
二、真宽通信GEPON+系统广电双向网解决方案
采用GEPON技术对HFC网络实现双向网改造时,只需在HFC的光纤网络部分上做简单的配置,增加1个光分路器就可以在光节点,向下继续扩展光缆至大楼或用户,而在原有节点至分前端之间不需要另外敷设光缆了。在工程上,可在较短时间内就完成2个网络的叠加,进行高速数据和RFTV双向传输的平稳扩展,从而实现FTTC、FTTB甚至于FTTH的宽带接入。较之其它方式,比如CableModem或P2P方式能节省大量的光纤。
由于GEPON的组网方式灵活,可以通过改变无源光分路器放置,来实现网络拓扑结构。并可以通过分期建网,来建设网络建造的前期投资。

●第一步,构建FTTC模式,支持数字电视的双向点播。
在现有光节点上用1:4分路器,把光纤铺设到路边FTTC,用1个MSTB(GEPON+ONU)覆盖4栋楼,约96-120户(4×24-4×30)。楼宇之间则用防水性野外5类线相连通,然后再用5类线连接到户。
EPON-FTTC构造
这样每个光节点约384-480户,用4个ONU覆盖。分前端的1个MSC(GEPON+OLT)覆盖8个光节点(32个ONU×4=128栋楼),约3500户。每户平均带宽256kbps左右,完全能够支持数字电视的双向点播(VOD)和IP数据业务的接入。如果按集线比1:8计算,每户带宽可达到2M左右,能够实现高速数据的接入和IPTV业务。
●第二步,平滑到FTTB构造,支持语音业之上,只需要在分前端新增3个OLT,并在原路边节点用1个4路分光,继续使光缆到大楼,就平滑扩
为您推荐
二十世纪八十年代,每个乡镇有一个电视转播塔,能收一至二套电视节目。九十年代初开始搞有线电视,节目5---20套。那时侯,一套模拟电视信号卫星接收机不会少于1500元,老百姓觉得看有线电视比买“锅子”(卫星接收天线)划算,所以积极地交了安装费装上了有线电视,多年内没有抗交每月收视维护的。到了九十年代未,模拟电视信号卫星接收机大幅度降价,只要300---400元就可以买一套“锅子”,从这个时侯起,乡镇有线电视收费就难了,因为用户嫌交了多年的每月6---8元的收视费贵了,不如买一套“锅子”划算。到了二十一世纪初,数字电视信号卫星接收机降到了400---500元一套,模拟电视信号卫星接收机只要100-
新华网太原9月23日电(记者刘砺平)23日在太原召开的“全国城市有线电视数字化试点工作现场会”上,国家广播电影电视总局副局长张海涛指出,我国有线电视数字化由点到面全面展开,初步形成了多种模式并存的局面,发展势头良好,部分城市已经完成整体转换工作,数字高清、付费频道等新业务不断发展,初步显现出数字化发展的良好前景。今后有线电视数字化推进工作将坚持以人为本、社会效益第一的原则,从五方面“贴近”用户。一是要尊重用户的选择权。张海涛强调推广有线数字电视要与用户平等协商,和谐共促,由用户自愿登记、自愿选择,签订协议,明确各自的权利义务,不能简单地搞一刀切,要保留一定数量的模拟频道供没有机顶盒的用户收看。
5/31/2005,EMCORE公司宣布收购JDSU的模拟CATV以及RFoverFiber业务。JDSU目前这一业务年销售2000万美元,Emcore将支付给JDSU150万美元,并承诺在未来2年内购买JDSU280万到380万美元的器件用于该业务产品的制造。此外Emcore还将承诺购买一些库存器件,并支付JDSU专利费用。Emcore希望这次收购能为该公司2006财年的销售额带来1000到1500万美元的增长。此次收购的产品线包括了HFC1550nm发射机,1310nm发射机,QAM调制器,接收机等设备。此外JDSU和Emcore还将互相将对方设为自己的优先供应商。
尽管提供的第一种视频服务将模仿目前有线电视和卫星电视厂商提供的服务,但Verizon公司的官员表示,他们最终将使用能够向观众提供更多选择的高技术服务。该公司负责网络服务的总裁保罗说,我们面临着巨大的机遇,光缆使我们能够超越有线电视,提供与它不同的视频产品。Verizon公司公布了投资10亿美元在美国9个州铺设光缆的计划,它已经承诺将在今年年底使新光缆能够向100万户家庭和企业提供服务,明年客户将再增加200万。光缆的数据传输速度要远高于铜电缆,但安装的成本也更高,目前只有70000个美国家庭使用了这类连接。长期以来,Verizon和其它“小贝尔”电信公司一直将光纤网络看成是反击来自有线电视公司
