20世纪90年代初,调频(FM)同步广播还处于实验阶段,规划方法和技术实现手段尚未成熟。1998年,在广东省广电局的支持下,深圳广播电台与广东省广播科研所在深圳市开展FM同步广播试验,在全国率先引进高精密的同频、同相、同调制度的“三同步”系统。深圳市的地理环境特殊,特区内东西方向数十公里,南北方向只有几公里,高楼林立,高山、大海环绕;特区外既有大片的高山,也有平坦的开阔地,这些都给同步系统的设计和建设带来困难。经过几年建设,在实践中摸索总结,调整了部分发射点的位置和设备,到目前为止在深圳市共建设了5个发射点,覆盖特区内所有人口和特区外绝大部分人口,基本满足了深圳市民收听交通频率同步广播的需求。
系统方案
音源信号的传输
深圳电台FM同步广播发射系统采用微波传送音源信号,中心站设在梧桐山,用高站频率F1直接将微波信号送到无阻挡的4个同步发射站。由于盐田方向被高山阻挡,微波信号无法传送到盐田发射站,根据实际需求在梧桐后山设立中转站,将接收到的中心站高站频率F1转换成低站频率F2送往盐田发射站。
同频
为达到国家行业标准中各台站载波、导频的相对频差小于1×10-9的要求,在微波中心站设置了高精度时基作为标准频率源。我台FM同步广播系统中,标准频率源采用恒温晶体振荡器,其输出的10MHz标频锁定立体声复合信号中的19kHz导频信号,使其稳定度优于5×10-9/24小时,作为整个系统的时基。在微波中心站,立体声复合信号中被调制成微波信号送往各同步站。
系统中同步激励器由微波接收和同步激励两部分组成。在各同步站,同步激励器接收到微波信号,将其转换成中频(IF)信号,取出19kHz导频信号作为时基,通过跟踪能力很强的锁相电路,锁定本机的载波频率,使其稳定度优于5×10-9。此外,还在微波中心站设置一个标准频率源,通过微波信号将系统时基送到各同步站,从而提高标准频率源的等级。
同相
我台FM同步系统采用微波传送音源信号,两个或多个FM已调波调制信号相位差有两种情况:一种是由于微波信号传输路径不同,造成到达各同步站的微波信号存在时延差;另一种是由于各同步站发射条件和发射功率不同,造成相干区位置不在同步站间直线距离的中点,使得两个FM已调波信号到达相干区产生时延差。为了对这两种时延差予以补偿,在各同步站设置RF数字延时器,用于调整各同步激励器的延时,使系统在相干区内的时延差小于5µs。RF数字延时器的调整范围为0.1~800µs。
同调制度
在微波中心站,微波发射机将MPX立体声复合信号调制在微波上,发往各同步站。在各同步站,同步激励器将接收信号转成中频,通过精密锁相电路将整个动态频谱搬迁到FM频段,经放大后输出。在这个过程中不进行解调和重新调制,在整个系统中音频信号只在微波发射机中调制一次,这就保证了系统调制度完全一致,避免调制和重新调制带来的指标损失。
系统结构
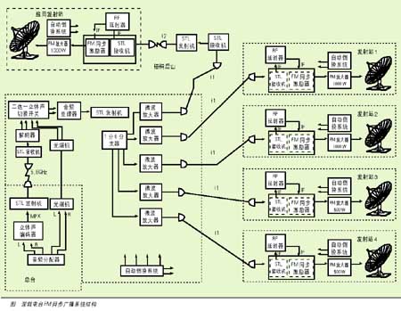
附图示出深圳电台FM同步广播系统结构。

微波传输部分
我台FM同步广播采用的是STL微波传输方式,由一个中心站、两个中继站和各同步站的微波接收系统组成,基本采用“中心开花”的连接方式,不在视距范围内的同步站点通过中继站连接。如盐田发射站,由于受梧桐山阻挡,通过二次中继,微波信号就可以很好地送到盐田同步站。
中心站点设置在小梧桐山传输中心基站,立体声音频信号通过光纤和微波(5GHz以上)主备传输到小梧桐山中心站,送到带高精度时基的立体声编码器转成MPX信号,通过STL微波发射、微波分支器和微波放大器传送到各站点。微波收发天线均采用抛物面状天线,增益可达20dB。
同步站
我台目前使用的同步发射站有6个
为您推荐
亚洲最负盛名的电子媒体技术展会BroadcastAsia2005(亚洲广播及电子媒体科技展)为中国广播行业获得最新广播科技和解决方案,并满足各媒体行业的快速发展提供了一个全面的平台。据报道,我国到2008年北京奥运会时将实现广播网络的数字化。作为我国媒体行业发展的一部分,2010年所有人都将可接收和观看数码电视,而模拟广播将于2015年停止。参加BroadcastAsia2005展会的有900多家国际企业,此外还有来自中国、法国、德国、韩国、马来西亚、泰国、美国和英国的参展团。BroadcastAsia2005展会于6月14-17日在新加坡举行,主要就媒体内容的创意、管理、及放送进行交流。
全美广播电视展(NABShow)是全球电子通信传播媒体界最负盛名的展览会之一。每年都吸引来自全世界137个国家和地区的9万多专业人士,其中1,300多家全球通信广播设备及技术的制造商和供应商将为与会者展示当今全球通信传播媒体业的最新产品,包括电视广播和电影 视像产品、无线电和录音音响产品、卫星与无线通信产品、多媒体硬件与软件、因特网的应用及技术等。
自2002年起,上海电视节与上海国际电影节于每年六月同期举行。“两节”由国家广电总局和上海市政府主办,上海文广影视集团承办。经过多年的实践和努力,上海电视节和上海国际电影节业已成为中国影视业界最具影响力的国际盛会,并在全球影视行业和相关产业中声誉斐然。上海文广影视集团是我国国内最大的地方性影视综合集团,是以文化广播影视为主业的新闻文化集团,兼营旅游、宾馆、演出、会展等相关产业。集团拥有一批重要的广播电视传统媒体和宽频电视、互动电视、移动电视、IP电视、手机电视等新媒体,同时又是全国重要的影视剧生产基地,拥有最先进的制作设备和制片理念,制作的影视剧作品在国内外屡获殊荣。集团固定资产达150亿元,
一、展会背景介绍数字电视是我国电视领域采用的最新先进技术。从节目制作、编辑到传输、播放、接收均采用数字技术,与现正在使用的模拟技术相比,具有清晰度高、存储方便快捷、信号稳定、可与用户互动等优点。2004年是国家广电总局确定的数字电视发展元年,2015年全国将停播模拟电视信号,取而代之的就是数字信号。东北地区计划在2010年前完成电视数字化进程,工程浩大、任务艰巨、影响深远。东三省广电局为加快数字电视发展,于2005年6月16日至19日在沈阳国际会展中心举办了“2005沈阳国际数字电视广播通信网络展览会”。电视台、数字电视和电视节目与大众生活息息相关。由于受益群体非常之大,观众的参观热情要高于房
